Tachometer
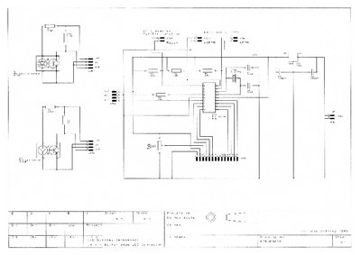
These parts are based on the article in MEW by Tony Jeffree in 2006. His transcript of the articles can be found on his site. There are now a number of additional options over the original design with two versions of the 2 by 16 line code. The Simple version just provides a speed display, while the Max/Min version includes a maximum and minimum value which can be reset to the current speed by the use of a push switch which is wired to CON5. The revised assembly instructions are now available on line. MEDW0003AssemblyInstruction. The circuit diagram is available here
![]() |
Update - There had been a problem with supplies of the sensors for the project since RoHS rules came in. We have managed to source two Kingsbright parts which fit the bill nicely and only require a change of R7 to 4k7 ohm. Data sheets can be found in the archive.
The large display boxes are now available and additional notes can now be found in the article on the large backlight display Tacho.
We now have an additional sensor board using a hall effect switch as part of the basic kit. This is supplied with a suitable magnet, hence the slight increase in the basic kit prices. This same switch is also used for the pulse generator for Dick Stevens clock designs. It is planned that we will supply ready assembled sensors to use with the DRO's.
| 2 line Display Printed Circuit Board Set ( complete with three sensor boards ) |
£7.00 | Out of stock | |
| 1 line Display Printed Circuit Board Set ( complete with two sensor boards ) We do not have any displays that go with this board, but have been asked to put it up as some people already have suitable displays to use with it! |
£7.00 | Out of stock | |
| Programmed PIC | £7.00 | Out of stock | |
| SMALL DISPLAY (now WITH backlight) | |||
| Component Kit complete with PCBs and 16x2 display ( un-cased ) Has slotted and reflective sensors and a hall effect sensor Programmed PIC |
£28.00 | Out of stock | |
| Component Kit complete with PCBs and 8 digit display ( un-cased ) Has both slotted and reflective sensors Programmed PIC |
£35.00 | Out of stock - not sure that we can get any more displays! | |
| Small machined case Simple version has no holes for connectors, add your own as required |
£7.50 | Out of stock | |
| Small machined case kit Complete with connectors and cable |
£14.00 | Out of stock | |
| Small machined case kit for Max/Min version Complete with connectors, switch and cable |
£16.00 | Out of stock | |
| LARGE DISPLAY with back light | |||
| Component Kit complete with PCBs and large format (99mmx24mm) 16x2 backlight display ( un-cased ) Has slotted and reflective sensors and a hall effect sensor Programmed PIC |
£44.00 | Out of stock | |
| Large machined case kit for Max/Min version Complete with connectors, switch and cable but un-drilled so that you can position connectors as you like ( We will not bother with a cut down version without the Max/min switch ) |
£20.00 | Out of stock | |
| Assembly Service | We are able to supply assembled and tested modules for use with the above case kits As the customer is responsible for final assembly we do not require EMC and other directive compliance on the component parts. Please select the sensor option you require for the cable. |
£10.00 | Out of stock |
| Mains Power Pack | 12V DC UK power pack | £8.00 | Out of stock |
| EXTRA Payment for European Insured Delivery ( International Signed For ) See Shipping Page |
£5.00 | UK shipping only at present | |
| EXTRA Payment for Overseas Insured Delivery - Rest of world outside Europe ( International Signed For )See Shipping Page |
£8.00 | UK shipping only at present |
Shipping will be added to the order up to £10.00 - please add the additional shipping for Europe (outside the UK) or the Rest of the World.
Currency conversions are approximate, Paypal will produce a total in your preferred currency at the current conversion rate.
Contact me direct for alternative prices, packages, or the additional parts listed in the complete parts list Lester Caine









